Views: 1 Author: Site Editor Publish Time: 2026-03-10 Origin: Site
As a professional supplier of pipe fittings and flanges in China, Shanghai Zhucheng Pipe Fitting Manufacturing Co., Ltd. not only provides high-quality pressure pipes, fittings, and flanges but also specializes in custom-made products based on customer drawings. Recently, we successfully completed a batch of high-quality 90° 5D bends with welded flanges for a key domestic client, once again demonstrating our expertise in special pipe fitting manufacturing.

The customer had strict quality requirements for this order:
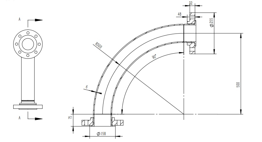
Bend Specifications: 90 Deg 5D bend; DN100 (114.3 mm), wall thickness 6.02 mm
Pressure Class: CLASS 300 flanges, suitable for medium to high-pressure piping systems
Material Selection: Bend made of API 5L GRB; Lap joint flange made of ASTM A105
Welding Solution: Professional welding of stub ends to flanges and bends
Upon receiving the order, we implemented strict quality control from material inspection, cutting, bending, beveling, to assembly and welding—each step monitored by dedicated QC personnel to ensure full compliance with drawing requirements.
Considering potential impacts during transport and handling, we designed a custom packaging solution:
Custom Wooden Crates: Reinforced structure based on product dimensions and weight
Multi-layer Protection: Surface sandblasting followed by bubble wrap wrapping
This successful order not only met the customer's needs but also helped us accumulate valuable technical data and service experience.

90 Deg bend is an essential pipe fitting used to change the direction of a piping system. Its bending radius is a critical technical parameter. Common bending radius options include:
3D Bend: Bending radius equals 3 times the pipe diameter, suitable for space-limited applications
5D Bend: Bending radius equals 5 times the pipe diameter, balancing flow efficiency and smoothness—commonly used in petroleum and chemical industries
10D Bend: Larger bending radius, low flow resistance and wear, ideal for systems requiring high fluid stability
The choice of bending radius depends on installation space, system pressure, medium characteristics, and long-term operational requirements.
A lap joint flange is connected to the pipe via a stub end. Its features include:
High Structural Strength: The hub design effectively distributes stress, suitable for high-pressure and high-temperature conditions
Good Sealing Performance: Works with gaskets for long-term reliable sealing
Excellent Alignment: Stub ends are butt-welded to pipes, reducing installation stress
Wide Medium Applicability: Suitable for steam, oil and gas, chemical media, etc.
In this order, stub ends were welded to both ends of the 90° 5D bend and paired with CLASS 300 flanges, forming a strong and sealed assembly.
This is a line pipe steel under American Petroleum Institute standards. It is a low-carbon steel with good weldability and moderate mechanical strength. Yield strength ≥245 MPa, tensile strength ≥415 MPa. Commonly used in medium to low-pressure oil and gas transmission and structural applications—economical and process-friendly.
Chemical Composition
| CHEMICAL | LIMITS | C | Mn | P | S | Si | Ti |
| API 5L GRB PSL1 | MIN | ||||||
| MAX | 0.28 | 1.2 | 0.030 | 0.030 | |||
| API 5L GRB PSL2 | MIN | ||||||
| MAX | 0.24 | 1.2 | 0.025 | 0.015 | 0.4 | 0.04 |
Mechanical Properties
| MATERIAL | T.S (MPA) | Y.S (MPA) |
| API 5L B PSL1 | 415min | 245min |
| API 5L B PSL2 | 415-760 | 245-450 |
This is a standard material for forged carbon steel flanges and fittings. It is a low-carbon forged steel with good strength and toughness. Suitable for high-temperature and high-pressure service environments, meeting CLASS 300 pressure class requirements. It offers excellent machinability and weldability, making it a common choice for pipe flanges.
The combination ensures overall structural strength while balancing economy and process adaptability.
Chemical Composition
| CHEMICAL | LIMITS | C | Mn | P | S | Si | Cu | Ni | Cr | Mo | V |
| ASTM A105 | MIN | 0.60 | 0.10 | ||||||||
| MAX | 0.35 | 1.05 | 0.035 | 0.040 | 0.35 | 0.40 | 0.40 | 0.30 | 0.12 | 0.08 |
Mechanical Properties
| MATERIAL | T.S (MPA) | Y.S (MPA) | EL % | R/A % | HARDNESS |
| ASTM A105 | 485 min | 250 min | 22 min | 30 min | 197 max |
These products are widely used in:
Petrochemical Systems: For directional changes in process and transmission pipelines
Power Stations: Steam pipelines, circulating water systems
Shipbuilding and Marine Engineering: Space-saving directional connections
Industrial Boilers and Pressure Vessels: Inlet and outlet piping configurations
Municipal and Building Piping: HVAC, fire protection systems, etc.
Shanghai Zhucheng Pipe Fitting Manufacturing Co., Ltd. not only has mature production processes and strict quality control systems but also offers customized welding and processing based on customer drawings. From material procurement, forming and welding, inspection and pressure testing, to protective packaging—we ensure every batch meets technical requirements and delivery schedules.
We remain committed to customer needs and strive to provide high-quality, reliable pipe fitting products and services to clients worldwide. Welcome to contact us with drawings or inquiries—we offer professional technical advice and cost-effective solutions.