Views: 15 Author: Site Editor Publish Time: 2023-12-21 Origin: Site
In September, the order from the UAE customer was successfully completed. The product of this order is quite special, as it is a relatively unique type of flange product: long neck welding flange.
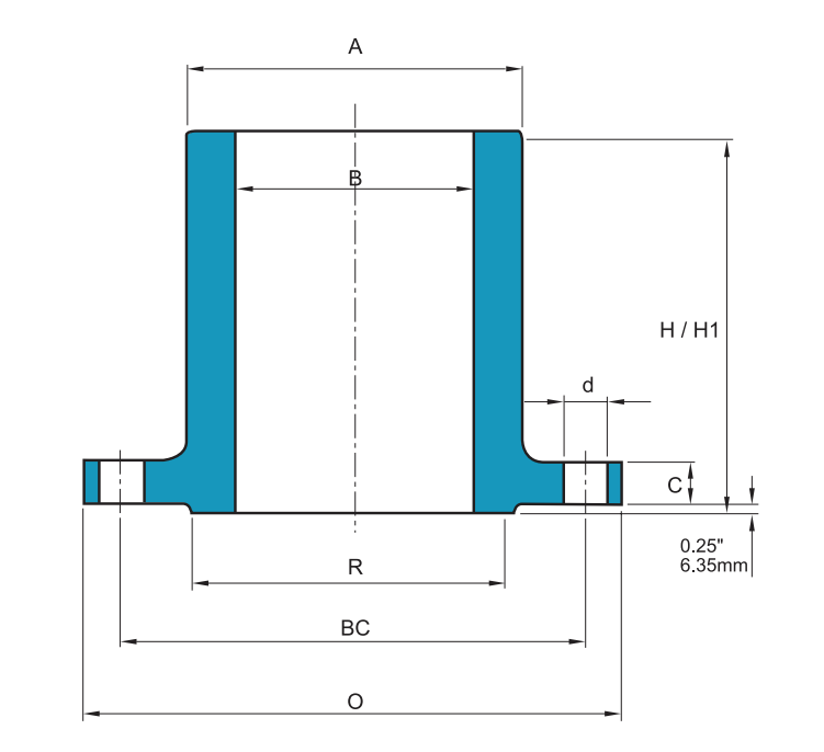
Long welding neck flange(LWN) is a self-reinforced flange with a single piece design, which plays an important role in various applications as an efficient and reliable connection method.The long neck welding flange purchased by the UAE customer in this order has a size of 4inch, pressure CLASS150, neck length of 228.6mm, wall thickness of 9.52mm, sealing surface form of RTJ, and material is ASTM A105,product standard is ASME B16.5.

The long welding neck flange (LWN) is designed to replace the welded neck flange and pipe fitting. This design reduces the stress on the neck and transfers it to the bottom connected to the vessel.The design of the long welding neck provides a thicker neck for high-pressure and high-temperature applications.
The flange end and sealing surface are produced according to the ASME B16.5 production standard, which is suitable for pipeline sizes ranging from 1/2 inch to 24 inch. The ASME B16.47 production standard is suitable for pipeline sizes ranging from 26 inch to 60 inch.Generally, the larger the nominal size and pressure, the longer the neck length.
The neck diameter of the long neck welding flange is the same as the pipe size, and the neck length is generally 9 inch (228.6mm), 12 inche (304.8mm), and 16 inche (406.4mm). It can also be customized according to the actual needs of the customer based on the design drawing.

| Nominal Pipe Size | O | C | R | A | B | H | H1 | BC | Holes | D |
| 1/2 | 89 | 11.1 | 34.9 | 30.2 | 12.7 | 228.6 | 304.8 | 60.5 | 4 | 15.8 |
| 3/4 | 98.5 | 12.7 | 42.9 | 38.1 | 19.1 | 228.6 | 304.8 | 69.9 | 4 | 15.8 |
| 1 | 108 | 14.3 | 50.8 | 50.8 | 25.4 | 228.6 | 304.8 | 79.4 | 4 | 15.8 |
| 1 1/4 | 117.5 | 15.9 | 63.5 | 60.3 | 31.8 | 228.6 | 304.8 | 88.9 | 4 | 15.8 |
| 1 1/2 | 127 | 17.5 | 73 | 66.7 | 38.1 | 228.6 | 304.8 | 98.4 | 4 | 15.8 |
| 2 | 152.5 | 19.1 | 92.1 | 82.5 | 50.8 | 228.6 | 304.8 | 120.7 | 4 | 19 |
| 2 1/2 | 178 | 22.2 | 104.8 | 95.2 | 63.5 | 228.6 | 304.8 | 139.7 | 4 | 19 |
| 3 | 190.5 | 23.8 | 127 | 107.9 | 76.2 | 228.6 | 304.8 | 152.4 | 4 | 19 |
| 3 1/2 | 216 | 23.8 | 139.9 | 124 | 88.9 | 228.6 | 304.8 | 177.8 | 8 | 19 |
| 4 | 228.5 | 23.8 | 157.2 | 139.7 | 101.6 | 228.6 | 304.8 | 190.5 | 8 | 19 |
| 5 | 254 | 23.8 | 185.7 | 165.1 | 127 | 228.6 | 304.8 | 215.9 | 8 | 22.5 |
| 6 | 279.5 | 25.4 | 215.9 | 196.8 | 152.4 | 228.6 | 304.8 | 241.3 | 8 | 22.5 |
| 8 | 343 | 28.6 | 269.9 | 247.6 | 203.2 | 228.6 | 304.8 | 298.4 | 8 | 22.5 |
| 10 | 406.5 | 30.2 | 323.9 | 304.8 | 254 | 228.6 | 304.8 | 361.9 | 12 | 25.5 |
| 12 | 482.5 | 31.8 | 381 | 365.1 | 304.8 | 228.6 | 304.8 | 431.8 | 12 | 25.5 |
| 14 | 533.5 | 34.9 | 412.8 | 406.4 | 355.6 | 228.6 | 304.8 | 476.2 | 12 | 28.5 |
| 16 | 597 | 36.5 | 469.9 | 457.2 | 406.4 | 228.6 | 304.8 | 539.7 | 16 | 28.5 |
| 18 | 635 | 39.7 | 533.4 | 508 | 457.2 | 228.6 | 304.8 | 577.8 | 16 | 31.8 |
| 20 | 698.5 | 42.9 | 584.2 | 558.8 | 508 | 228.6 | 304.8 | 635 | 20 | 31.8 |
| 24 | 813 | 47 | 692.2 | 666.7 | 609.6 | 228.6 | 304.8 | 749.3 | 20 | 35.1 |
| Nominal Pipe Size | O | C | R | A | B | H | H1 | BC | Holes | D |
| 1/2 | 95.5 | 14.3 | 34.9 | 38.1 | 12.7 | 228.6 | 304.8 | 66.7 | 4 | 15.8 |
| 3/4 | 117.5 | 15.9 | 42.9 | 47.6 | 19.1 | 228.6 | 304.8 | 82.5 | 4 | 19 |
| 1 | 124 | 17.5 | 50.8 | 54 | 25.4 | 228.6 | 304.8 | 88.9 | 4 | 19 |
| 1 1/4 | 133.5 | 19.1 | 63.5 | 63.5 | 31.8 | 228.6 | 304.8 | 98.4 | 4 | 19 |
| 1 1/2 | 155.5 | 20.6 | 73 | 69.8 | 38.1 | 228.6 | 304.8 | 114.3 | 4 | 22.5 |
| 2 | 165 | 22.2 | 92.1 | 82.5 | 50.8 | 228.6 | 304.8 | 127 | 8 | 19 |
| 2 1/2 | 190.5 | 25.4 | 104.8 | 100 | 63.5 | 228.6 | 304.8 | 149.2 | 8 | 22.5 |
| 3 | 209.5 | 28.6 | 127 | 117.5 | 76.2 | 228.6 | 304.8 | 168.3 | 8 | 22.5 |
| 3 1/2 | 228.5 | 30.2 | 139.7 | 133.4 | 88.9 | 228.6 | 304.8 | 184.1 | 8 | 22.5 |
| 4 | 254 | 31.8 | 157.2 | 146 | 101.6 | 228.6 | 304.8 | 200 | 8 | 22.5 |
| 5 | 279.5 | 34.9 | 185.7 | 177.8 | 127 | 228.6 | 304.8 | 234.9 | 8 | 22.5 |
| 6 | 317.5 | 36.5 | 215.9 | 206.4 | 152.4 | 228.6 | 304.8 | 269.9 | 12 | 22.5 |
| 8 | 381 | 41.3 | 269.9 | 260.3 | 203.2 | 228.6 | 304.8 | 330.2 | 12 | 25.5 |
| 10 | 444.5 | 47.6 | 323.9 | 320.7 | 254 | 228.6 | 304.8 | 387.3 | 16 | 28.5 |
| 12 | 520.5 | 50.8 | 381 | 374.6 | 304.8 | 228.6 | 304.8 | 450.8 | 16 | 31.8 |
| 14 | 584 | 54 | 412.8 | 425.4 | 355.6 | 228.6 | 304.8 | 514.3 | 20 | 31.8 |
| 16 | 647.5 | 57.2 | 469.9 | 482.6 | 406.4 | 228.6 | 304.8 | 571.5 | 20 | 35.1 |
| 18 | 711 | 60.3 | 533.4 | 533.4 | 457.2 | 228.6 | 304.8 | 628.6 | 24 | 35.1 |
| 20 | 774.5 | 63.5 | 584.2 | 587.3 | 508 | 228.6 | 304.8 | 685.8 | 24 | 35.1 |
| 24 | 914.5 | 69.9 | 692.2 | 701.6 | 609.6 | 228.6 | 304.8 | 812.8 | 24 | 41.2 |

| Nominal Pipe Size | O | C | R | A | B | H | H1 | BC | Holes | D |
| 1 | 124 | 17.5 | 50.8 | 54 | 25.4 | 228.6 | 304.8 | 88.9 | 4 | 19 |
| 1 1/4 | 133.5 | 20.6 | 63.5 | 63.5 | 31.8 | 228.6 | 304.8 | 98.4 | 4 | 19 |
| 1 1/2 | 155.5 | 22.2 | 73 | 69.8 | 38.1 | 228.6 | 304.8 | 114.3 | 4 | 22.5 |
| 2 | 165 | 25.4 | 92.1 | 82.5 | 50.8 | 228.6 | 304.8 | 127 | 8 | 19 |
| 2 1/2 | 190.5 | 28.6 | 104.8 | 100 | 63.5 | 228.6 | 304.8 | 149.2 | 8 | 22.5 |
| 3 | 209.5 | 31.8 | 127 | 117.5 | 76.2 | 228.6 | 304.8 | 168.1 | 8 | 22.5 |
| 3 1/2 | 228.5 | 34.9 | 139.7 | 133.4 | 88.9 | 228.6 | 304.8 | 184.2 | 8 | 25.5 |
| 4 | 273 | 38.1 | 157.2 | 152.4 | 101.6 | 228.6 | 304.8 | 215.9 | 8 | 25.5 |
| 5 | 330 | 44.5 | 185.7 | 190.5 | 127 | 228.6 | 304.8 | 266.7 | 8 | 28.5 |
| 6 | 355.5 | 47.6 | 215.9 | 222.2 | 152.4 | 228.6 | 304.8 | 292.1 | 12 | 28.5 |
| 8 | 419 | 55.6 | 269.9 | 273 | 203.2 | 228.6 | 304.8 | 349.3 | 12 | 31.8 |
| 10 | 508 | 63.5 | 323.9 | 342.9 | 254 | 228.6 | 304.8 | 431.8 | 16 | 35.1 |
| 12 | 559 | 66.7 | 381 | 400 | 304.8 | 228.6 | 304.8 | 489 | 20 | 35.1 |
| 14 | 603.5 | 69.9 | 412.8 | 431.8 | 355.6 | 228.6 | 304.8 | 527.1 | 20 | 38.1 |
| 16 | 686 | 76.2 | 469.9 | 495.3 | 406.4 | 228.6 | 304.8 | 603.3 | 20 | 41.2 |
| 18 | 743 | 82.6 | 533.4 | 546.1 | 457.2 | 228.6 | 304.8 | 654.1 | 20 | 44.5 |
| 20 | 813 | 88.9 | 584.2 | 609.6 | 508 | 228.6 | 304.8 | 723.9 | 24 | 44.5 |
| 24 | 940 | 101.6 | 692.2 | 717.5 | 609.6 | 228.6 | 304.8 | 838.2 | 24 | 50.8 |
| Nominal Pipe Size | O | C | R | A | B | H | H1 | BC | Holes | D |
| 1 | 149.5 | 28.6 | 50.8 | 52.4 | 25.4 | 228.6 | 304.8 | 101.6 | 4 | 25.5 |
| 1 1/4 | 159 | 28.6 | 63.5 | 63.5 | 31.8 | 228.6 | 304.8 | 111.1 | 4 | 25.5 |
| 1 1/2 | 178 | 31.8 | 73 | 69.9 | 38.1 | 228.6 | 304.8 | 123.8 | 4 | 28.5 |
| 2 | 216 | 38.1 | 92.1 | 104.8 | 50.8 | 228.6 | 304.8 | 165.1 | 8 | 25.5 |
| 2 1/2 | 244.5 | 41.3 | 104.8 | 123.8 | 63.5 | 228.6 | 304.8 | 190.5 | 8 | 28.5 |
| 3 | 241.5 | 38.1 | 127 | 127 | 76.2 | 228.6 | 304.8 | 190.5 | 8 | 25.5 |
| 4 | 292 | 44.5 | 157.2 | 158.7 | 101.6 | 228.6 | 304.8 | 235 | 8 | 31.8 |
| 5 | 349.5 | 50.8 | 185.7 | 190.5 | 127 | 228.6 | 304.8 | 279.4 | 8 | 35.1 |
| 6 | 381 | 55.6 | 215.9 | 235 | 152.4 | 228.6 | 304.8 | 317.5 | 12 | 31.8 |
| 8 | 470 | 63.5 | 269.9 | 298.5 | 203.2 | 228.6 | 304.8 | 393.7 | 12 | 38.1 |
| 10 | 546 | 69.9 | 323.9 | 368.3 | 254 | 228.6 | 304.8 | 469.9 | 16 | 38.1 |
| 12 | 609.5 | 79.4 | 381 | 419.1 | 304.8 | 228.6 | 304.8 | 533.4 | 20 | 38.1 |
| 14 | 641.5 | 85.7 | 412.8 | 450.9 | 355.6 | 228.6 | 304.8 | 558.8 | 20 | 41 |
| 16 | 705 | 88.9 | 469.9 | 508 | 406.4 | 228.6 | 304.8 | 616 | 20 | 44.5 |
| 18 | 787.5 | 101.6 | 533.4 | 565.2 | 457.2 | 228.6 | 304.8 | 685.8 | 20 | 50.8 |
| 20 | 857.5 | 108 | 584.2 | 622.3 | 508 | 228.6 | 304.8 | 749.3 | 20 | 54 |
| 24 | 1014.5 | 139.7 | 692.2 | 749.3 | 609.6 | 228.6 | 304.8 | 901.7 | 20 | 66.5 |
| Nominal Pipe Size | O | C | R | A | B | H | H1 | BC | Holes | D |
| 1 | 149.5 | 28.6 | 50.8 | 52.4 | 25.4 | 228.6 | 304.8 | 101.6 | 4 | 25.5 |
| 1 1/4 | 159 | 28.6 | 63.5 | 63.5 | 31.8 | 228.6 | 304.8 | 111.1 | 4 | 25.5 |
| 1 1/2 | 178 | 31.8 | 73 | 69.9 | 38.1 | 228.6 | 304.8 | 123.8 | 4 | 28.5 |
| 2 | 216 | 38.1 | 92.1 | 104.8 | 50.8 | 228.6 | 304.8 | 165.1 | 8 | 25.5 |
| 2 1/2 | 244.5 | 41.3 | 104.8 | 123.8 | 63.5 | 228.6 | 304.8 | 190.5 | 8 | 28.5 |
| 3 | 267 | 47.6 | 127 | 133.4 | 76.2 | 228.6 | 304.8 | 203.2 | 8 | 31.8 |
| 4 | 311 | 54 | 157.2 | 161.9 | 101.6 | 228.6 | 304.8 | 241.3 | 8 | 35.1 |
| 5 | 374.5 | 73 | 185.7 | 196.9 | 127 | 228.6 | 304.8 | 292.1 | 8 | 41 |
| 6 | 393.5 | 82.6 | 215.9 | 228.6 | 152.4 | 228.6 | 304.8 | 317.5 | 12 | 38.1 |
| 8 | 483 | 92.1 | 269.9 | 292.1 | 203.2 | 228.6 | 304.8 | 393.7 | 12 | 44.5 |
| 10 | 584 | 108 | 323.9 | 368.3 | 254 | 406.4 | 406.4 | 482.6 | 12 | 50.8 |
| 12 | 673 | 123.8 | 381 | 450.9 | 304.8 | 406.4 | 406.4 | 571.5 | 16 | 54 |
| 14 | 749.5 | 133.4 | 412.8 | 495.3 | 355.6 | - | - | 635 | 16 | 60.5 |
| 16 | 825.5 | 146.1 | 469.9 | 552.5 | 406.4 | - | - | 704.9 | 16 | 66.5 |
| 18 | 914.5 | 161.9 | 533.4 | 596.9 | 457.2 | - | - | 774.7 | 16 | 73 |
| 20 | 984 | 177.8 | 584.2 | 641.4 | 508 | - | - | 831.9 | 16 | 79.5 |
| 24 | 1168.5 | 203.2 | 692.2 | 762 | 609.6 | - | - | 990.6 | 16 | 92 |
| Nominal Pipe Size | O | C | R | A | B | H | H1 | BC | Holes | D |
| 1 | 159 | 34.9 | 50.8 | 57.2 | 25.4 | 228.6 | 304.8 | 108 | 4 | 25.5 |
| 1 1/4 | 184 | 38.1 | 63.5 | 73 | 31.8 | 228.6 | 304.8 | 130.2 | 4 | 28.5 |
| 1 1/2 | 203 | 44.5 | 73 | 79.4 | 38.1 | 228.6 | 304.8 | 146.1 | 4 | 31.8 |
| 2 | 235 | 50.8 | 92.1 | 95.3 | 50.8 | 228.6 | 304.8 | 171.5 | 8 | 28.5 |
| 2 1/2 | 267 | 57.2 | 104.8 | 114.3 | 63.5 | 228.6 | 304.8 | 196.9 | 8 | 31.8 |
| 3 | 305 | 66.7 | 127 | 133.4 | 76.2 | 228.6 | 304.8 | 228.6 | 8 | 35 |
| 4 | 355.5 | 76.2 | 157.2 | 165.1 | 101.6 | 228.6 | 304.8 | 273.1 | 8 | 41 |
| 5 | 419 | 92.1 | 185.7 | 203.2 | 127 | 228.6 | 304.8 | 323.9 | 8 | 48 |
| 6 | 483 | 108 | 215.9 | 235 | 152.4 | 228.6 | 304.8 | 368.3 | 8 | 54 |
| 8 | 552.5 | 127 | 269.9 | 304.8 | 203.2 | 228.6 | 304.8 | 438.2 | 12 | 54 |
| 10 | 673 | 165.1 | 323.9 | 374.7 | 254 | 406.4 | 406.4 | 539.8 | 12 | 66.5 |
| 12 | 762 | 184.2 | 381 | 441.3 | 304.8 | 406.4 | 406.4 | 619.1 | 12 | 73 |
The long welding neck flange has reliable connection performance and corrosion resistance, so it is widely used in various industrial fields, including petrochemical, power, machinery manufacturing, etc. The long neck welding flange is widely used in pipeline connection and equipment manufacturing, providing a strong guarantee for the safe production and efficient operation of enterprises.
At the same time, the long neck welding flange is also suitable for various pipelines, containers or equipment under high pressure, high temperature, low temperature and other environments.In some situations requiring high precision and good sealing, the long neck welding flange is also commonly used.
Both belong to theweld neck flange family, representing a "standard vs. extended" relationship. LWN is a modified or reinforced version of WN, with a significantly elongated neck. Essentially, it integrates a standard WN flange and a short pipe section into a single forged piece.
Same connection method: Both are butt-welded to pipes or equipment nozzles, with required NDT on welds.
Good stress distribution: Both have tapered or long necks that effectively reduce stress concentration at the flange base.
Same service conditions: Suitable for high temperature, high pressure, low temperature, and corrosive environments.
Same design codes: Primarily ASME B16.5, HG/T 20592–20615, etc.
| Types | Weld Neck (WN) | Long Weld Neck (LWN) |
|---|---|---|
| Neck length | Short and tapered, per standard dimensions | Significantly longer, typically 150–600 mm or more |
| Structural nature | Separate flange component | Integrated forging (flange + short pipe, no intermediate weld) |
| Number of welds | Requires welding to pipe | Welds directly to equipment shell – one less weld |
| Primary use | Pipe-to-pipe, pipe-to-valve/equipment connections | Equipment nozzles (reactors, towers, heat exchangers, high-pressure vessels) |
| Insulation penetration | Neck too short; not suitable | Extended neck can pass through thick insulation, leaving bolts exposed |
| Self-reinforcing effect | None | Long thick neck acts as local reinforcement; may eliminate need for reinforcement pad |
| Standard basis | ASME B16.5 (standard stock item) | ASME B16.5 + MSS SP-97 (typically custom-made) |
| Cost & lead time | Lower, readily available | Higher, requires forging and longer delivery |
WN Flanges:
High-temperature steam piping in refineries
Main steam lines in nuclear power plants
High-pressure piping in hydrotreating units
Low-temperature LNG piping
Long Weld Neck (LWN) Flanges:
Inlet/outlet nozzles of hydroprocessing reactors (high T/P + thick insulation)
Channel end of high-pressure heat exchangers
Manways or nozzles on towers (requiring self-reinforcement)
Penetrations in nuclear pressure vessels