Views: 99 Author: Site Editor Publish Time: 2025-03-11 Origin: Site
FFWN flange overview

FFWN flange is also called flat face weld neck flange. It is a common pipeline connecting component, mainly used for connecting pipes, equipments, or other fittings. The flange is usually welded to the pipe, and two flanges are bolted together and sealed with a gasket, providing easy access to the piping system. Our flat face weld neck flange has a long neck (also known as a "welding neck") and a flat sealing surface. The flat sealing surface of our FFWN flanges features a simple design, easy processing, and excellent anti-corrosion lining properties, making it ideal for low and medium pressure systems. Compared to raised face (RF) and ring joint (RTJ) weld neck flanges, our flat face weld neck flange offers the advantages of a wider application range, lower cost, and easier installation. Our flat face weld neck flange is your ideal choice.
Shanghai Zhucheng Pipe Fittings Manufacturing Co Ltd. is specialized in producing and exporting various types of weld neck flanges, including flat face weld neck flanges (FF), raised face weld neck flanges (RF) and ring joint weld neck flanges (RTJ). As a professional weld neck flanges manufacturer, we have an advanced steel flange production line that integrates forging, rolling, and precision machining processes. And we use high-quality materials, such as stainless steel, alloy steel, duplex stainless steel, Inconel 625, Monel, Hastelloy, etc. Also, our flanges can be manufactured in compliance with international standards such as ANSI, ASME, JIS, DIN, and EN. Moreover, we can customize flanges based on customer-provided data or drawings. Contact us if you have any needs.
Size Range | 1/2" - 48"/ DN15 - DN1200 |
Pressure Rating | Class 150, 300, 600, 900, 1500, 2500lb |
Standard | ASME B16.5, ASME B16.47 Series A/B |
Carbon Steel | ASTM A105 / A105N |
Low Temp Carbon Steel | A350 LF2/LF3 |
Pipeline Steel | ASTM A694 F42 / 46 / 56 / 60 / 65 |
Alloy Steel | ASTM A182 F11 / 12 / 5 / 9 / 91 / 92 |
Stainless Steel | ASTM A182 F304/304L/304H, 316/316L, 310S, 317,347,904L |
Duplex Stainless Steel | ASTM A182 F51, F53, F44 |
Nickel FFWN Flanges | UNS N02200, UNS N02201 |
Monel FFWN Flanges | UNS N04400, UNS N05500, Alloy 20 |
Inconel FFWN Flanges | UNS N06600, UNS N06601, UNS N06625, UNS N08800, UNS N08810, UNS N08825 |
Hastelloy FFWN Flanges | UNS N10276, UNS N06022, UNS N10665, UNS N06455 |
Surface | Hot Dip Galvanized (GI), Sand Blasting, or as per customer requirements |

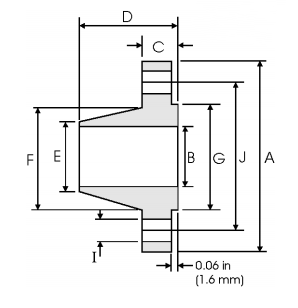
It’s helpful to learn weld neck flange dimensions for selecting the right flange. To be mentioned, in the actual situation, the pipeline's pressure rating, medium properties, and installation environment should also be considered. As shown in the image, our ASTM B16.5 standard flat face weld neck flange dimensions include the following measurements:
A - Overall Diameter: The maximum diameter of the flange.
B - Inside Diameter: The diameter of the center hole.
C - Flange Thickness min: The minimum thickness of the flange.
D - Overall Length: The total length from the face to the end of the weld neck.
E - Diameter at Weld Bevel: The diameter at the end of the weld neck.
F - Hub Diameter: The diameter of the flange hub, connecting the flange disc to the weld neck.
I - Bolt Hole Diameter: The diameter of the bolt holes.
J - Diameter of Circle of Holes: The diameter of the circle formed by the centers of the bolt holes.
ASME/ANSI B16.5 300lbs flat face weld neck flange
ASME/ANSI B16.5 400lbs flat face weld neck flange
ASME/ANSI B16.5 600lbs flat face weld neck flange
ASME/ANSI B16.5 900lbs flat face weld neck flange
ASME/ANSI B16.5 1500lbs flat face weld neck flange
ASME/ANSI B16.5 2500lbs flat face weld neck flange
As a leading weld neck flange manufacturer in China, we offer high quality flat face, raised face, and ring joint face weld neck flanges that comply with various international standards, dimensions, and wall thicknesses. We have strong manufacturing capabilities, with 8 pipe fitting production lines, 5 flange production lines, and an annual capacity of over 80,000 tons. We can custom non-standard flanges to meet specific customer needs. And we strictly control the quality of our production process, our quality culture has permeated every stage, including R&D, production, sales, and service. Our weld neck flanges feature top-notch quality, great sealing efficiency, and accurate dimensions. They have earned satisfaction and recognition from customers domestically and internationally. And our weld neck flanges have been exported to South Korea, Saudi Arabia, Iran, Southeast Asia, Europe, the US, and more. Therefore, we are a trusted supplier of weld neck flanges, and we look forward to cooperating with more clients at home and abroad. If you have any needs, feel free to contact us.
